FORGED LIFT-OFF HINGES - With raw brass washer
Reference :
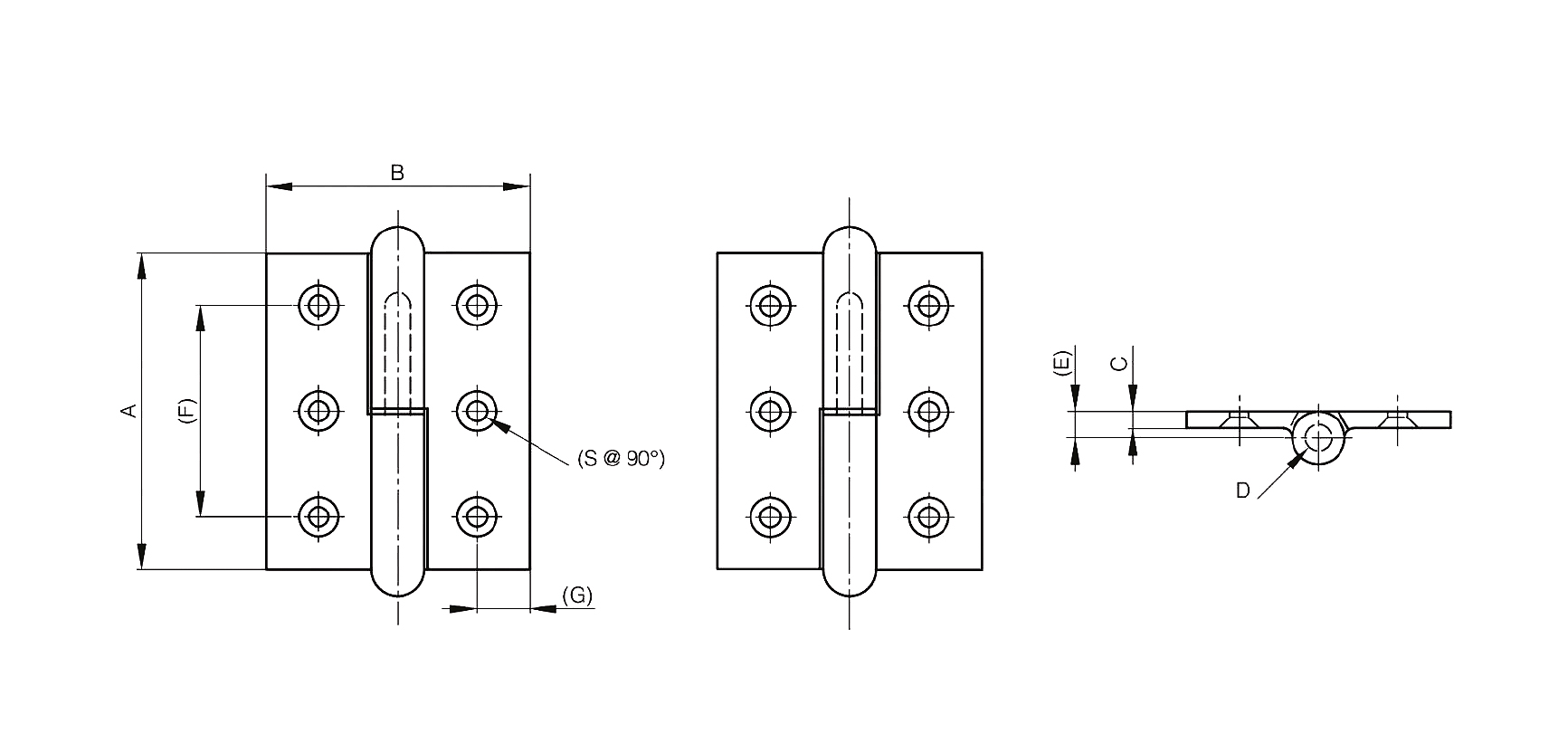
03CHMAAC60503.5G
| Reference | MATERIAL | FINISHED | DIMENSIONS (mm) | WEIGHT | |||||||
|---|---|---|---|---|---|---|---|---|---|---|---|
| material | COLOR | A | B | C | S | D | E | F | (g) | ||
| 03CHMAAC60503.5G | 328 | Steel | BRUT | 60 | 50 | 3.5 | 5.5 | 5 | 5 | 40 | 97 |
