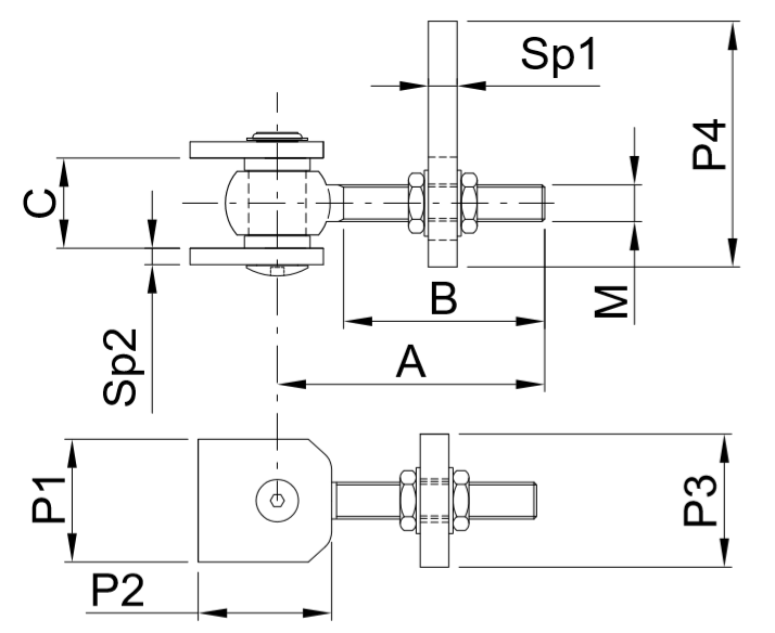
POCHAR39 - Adjustable hinge for gates, for opening 180°
Reference :
03POCHAR39-16
| Reference | Dimensions | Door Weight | Number of hinges to install | |||||||||
|---|---|---|---|---|---|---|---|---|---|---|---|---|
| M mm | A mm | B mm | C mm | P1 mm | P2 mm | P3 mm | P4 mm | material | KG | PC | ||
| 03POCHAR39-16 | 254 | 16 | 128 | 106 | 22 | 40 | 45 | 60 | 120 | Galvanized Steel | 60 | 2 |
WEIGHT OF THE ITEM
0.647 Kg
0.647 Kg